Los sensores ópticos funcionan sin contacto. Detectan objetos independientes de sus características (por ejemplo, forma, color, estructura superficial, material). El principio de funcionamiento básico se basa en la transmisión y recepción de la luz. Existen tres versiones diferentes: 1. El sensor de cruce consiste en dos dispositivos separados, un transmisor y un receptor que están alineados entre sí. Si el haz de luz entre los dos dispositivos se interrumpe, la salida de conmutación integrada en el receptor cambia su estado. 2. Con el sensor retro-reflectante, el transmisor y el receptor se encuentran en un solo dispositivo. El haz luminoso emitido es reflejado de nuevo al receptor por un reflector que se ha de montar enfrente del dispositivo. Tan pronto como se interrumpe el haz de luz, la salida de conmutación integrada en el dispositivo cambia su estado. 3. Con el sensor de reflexión difusa, el transmisor y el receptor están en un solo dispositivo. El haz luminoso emitido es reflejado por el objeto que se va a detectar. Tan pronto como el receptor detecta la luz reflejada, la salida de conmutación integrada en el dispositivo cambia su estado.
| Caracterisicas | |
| Ambient temperature | 25 - 65°C |
| Degree of protection (IP) | IP65 |
| Housing material | BRASS |
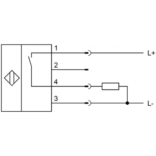
| Number of pins | 4 |
| Type of electrical connection | CONNECTOR M12 |
| Type of switching function | Normally open contact (NO) |
| Type of switching output | PNP |
| With LED display | YES |
SENSOR ÓPTICO OT120120
- Marca: IPF ELECTRONIC
- Ref: OT120120
- Disponibilidad: 10-12 Dias
-
0,00€
- Con impuestos: 0,00€
- Portes Gratis
- Agotado temporalmente


OT120120 











