Se utilizan los sensores de nivel de llenado inductivo de la serie FI52 para el control automático del nivel de llenado de materiales a granel en transportadores de oscilación y vibración, equipos de clasificación, sistemas bunker, etc.
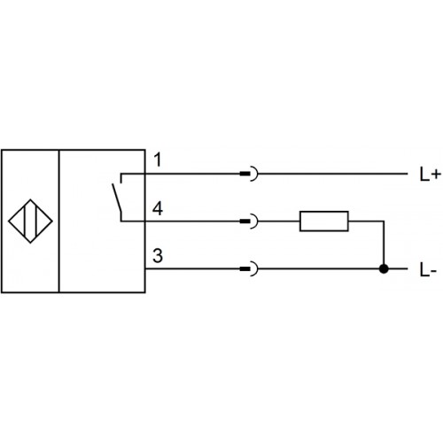
El nivel de llenado se consulta a través de una proximidad inductiva integrada interruptor que es accionado por un elemento de metal.
El elemento metálico está montado de forma flexible péndulo. Si el nivel de llenado disminuye en la vibración transportador, el ángulo del péndulo desviado también se convierte menor.
Si el elemento metálico se acerca al superficie activa del sensor inductivo, la salida del interruptores de sensor.
Un LED indica que la salida ha cambiado.
El péndulo está hecho de plástico y se puede acortar a cualquier longitud Las longitudes de 100, 200 o 300 mm están disponibles ex trabajos.
Dependiendo de la versión, el péndulo está montado en una junta de plástico o acero inoxidable.
El F1520172 ofrece una característica especial: el péndulo de 100 mm de largo varilla está fabricada de acero inoxidable delgado y se puede adaptar al material a granel que se va a detectar.
Los péndulos de acero inoxidable más largos no se pueden realizar. E
Ejemplos de aplicaciones:
Control del nivel de llenado en transportadores de oscilación / vibración
Comprobación de presencia, por ejemplo, de paquetes
SENSOR DE NIVEL INDUCTIVO IPF ELECTRONIC FI520170
- Marca: IPF ELECTRONIC
- Ref: FI520170
- Disponibilidad: 10-12 Dias
-
0,00€
- Con impuestos: 0,00€
- Portes Gratis
- Agotado temporalmente


FI520170_en 











